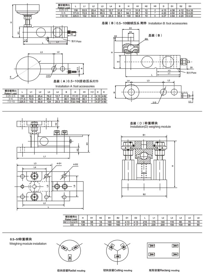
SP0801.01 : SQB-A | SQB-SS | Cảm biến lực | Cân điện tử | Loadcell | KELI
Thông số chính :
Cảm biến lực | Cân điện tử | Loadcell | KELI | SQB-A | SQB-SS

Cảm biến trọng lượng | Cảm biến lực | Loadcell | Cân điện tử | Bộ chỉ thị số | Đầu cân | Cân băng tải | Cân ô tô | Cân đóng bao | Phụ kiện /.

Thiết kế | Chế tạo thiết bị | Máy móc | Dây chuyền | Thiết bị sấy | Hệ thống pha trộn định lượng | Hệ thống điều khiển khí nén | Tích hợp từ các thiết bị công nghệ Bơm | Van | Cảm biến đo lường | Thiết bị khí nén SMC ( Nhật bản ) | Thiết bị điều khiển PLC của hãng Allen Bradley (Mỹ) | SIEMENS ( Đức )
Hãng cung cấp : KELI | ZEMIC | BENUI
Model : SQB-A | SQB-SS |
Chất lượng : Bảo hành 18 tháng
 Catalog Video

www.thietbicongnghiep.vn | Loadcell | KELI | SQB-A-SS

 
 
Lên đầu trang